雷達液位計生產廠家 價格


測量原理
雷達液位計運行時間可以通過電子部件被轉換成物位信號的一種特殊的時間延伸方法可以確保極短時間內穩定和精確的測量。它是通過發射能量很低的極短的微波脈沖通過天線系統發射并接收。LKD800系列雷達液位計即使在工況比較復雜,存在虛假回波的情況下,其用微處理技術和調試軟件也可以準確的分析出物位的回波。

輸入
天線接收反射的微波脈沖并將其傳輸給電子線路,微處理器對此信號進行處理,識別出微脈沖在物料表面所產生的回波。正確的回波信號識別由智能軟件完成,精度可達到毫米級。距離物料表面的距離D與脈沖的時間行程T成正比:
D=C×T/2
其中C為光速
因空罐的距離E已知,則物位L為:
L=E-D
輸出
通過輸入空罐高度E(=零點),滿罐高度F(=滿量程)及一些應用參數來設定,應用參數將自動使儀表適應測量環境。對應于4-20mA輸出。
應用介質:
雷達液位計適用于對液體、漿料及顆粒料的物位進行非接觸式連續測量,適用于溫度、壓力變化大;有惰性氣體及揮發存在的場合。
采用微波脈沖的測量方法,并可在工業頻率波段范圍內正常工作。波束能量較低,可安裝于各種金屬、非金屬容器或管道內,對人體及環境均無傷害。
產品簡介:
|
雷達液位計 |
|
|
|
|
類 別 |
D801 |
D802 |
D803 |
|
應 用 |
過程條件簡單,腐蝕性的液體、漿料、固體 |
存儲或過程容器腐蝕性的液體、漿料、固體 |
適應各種存儲容器或過程計量環境,液體、漿料、固體 |
|
測 量 范 圍 |
20米 |
20米 |
35米 |
|
過 程 連 接 |
螺紋 |
法蘭 |
法蘭 |
|
過 程 溫 度 |
-40-130℃ |
-40-150℃ |
-40-250℃ |
|
過 程 壓 力 |
-1.0-3bar |
-1.0-20bar |
-1.0-40bar |
|
重 復 性 |
± 3mm |
± 3mm |
± 3mm |
|
精 度 |
< 0.1% |
< 0.1% |
< 0.1% |
|
頻 率 范 圍 |
6.8LKz |
6.8LKz |
6.8LKz |
|
防爆/防護等級 |
EXiaIICT6/IP68 |
EXiaIICT6/IP68 |
EXiaIICT6/IP68 |
|
信 號 輸 出 |
4…20mA/HART(兩線) |
4…20mA/HART兩線) |
4…20mA/HART(兩線) |


罐內安裝(D801,D802)
標準安裝
1雷達天線不可向罐壁傾斜。
2為了使溫度影響*小化,在對接法蘭的連接處必須使用彈簧墊圈。
3桿式天線必須伸出安裝短管。
4垂直放置桿式天線,不要讓雷達束指向罐壁。

罐內安裝(D803)
標準安裝
1達天線不可向罐壁傾斜。
2喇叭天線必須延伸出安裝短管,否則應使用天線延伸管。
3喇叭天線必須調整至垂直,不要讓雷達束指向罐壁。



測量條件
注意事項
1測量范圍從波束觸及罐低的那一點開始計算,但在特殊情況下,若罐低為凹型或錐形,當物位低于此點時無法進行測量。
2介質為低介電常數當其處于低液位時,罐低可見,此時為保證測量精度,建議將零點定在低高度為C 的位置。
3理論上測量達到天線**的位置是可能的,但是考慮到腐蝕及粘附的影響,測量范圍的終值應距離天線的**至少100mm。
4對于過溢保護,可定義一段安全距離附加在盲區上。
5*小測量范圍與天線有關。
6隨濃度不同,泡沫既可以吸收微波,又可以將其反射,但在一定的條件下是可以進行測量的。


調試
可以通過三種方式調試:
1通過顯示調整模塊LKPM
2通過調試軟件LKSOFT
3通過HART手持編程器
現場編程模塊(LKPM)
1.LKPM編程器由6個按鍵和一個液晶顯示屏,可以顯示調整菜單和參數設置。其功能相當于一個分析處理儀表。

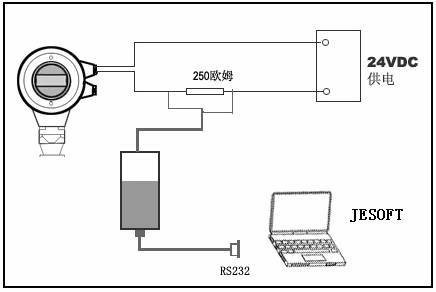
通過LKSOFT軟件調試
無論那種信號輸出,4…20mA/HART,雷達傳感器都可以通過軟件進行調試。采用BTSOFT軟件進行儀表調試,需要一個儀表CONNECTCAT驅動器

編程器尺寸

技術數據:
基本參數
工作頻率:6.8Hz
波 束 角: 24°LKD801, LKD802
18°LKD803 帶DN150法蘭
14°LKD803 帶DN200法蘭
12°LKD803 帶DN250法蘭
測量范圍:0…35m
重復性 :±3mm
分辨率 :1mm
采樣 :回波采樣55次/s
響應速度:>0.2s(根據具體使用情況而定)
電流信號:4…20mA
精度 :<0.1%
天線材質 LKD801、LKD802為PP/PTFE
LKD803 為316L不銹鋼
通訊接口 HART通訊協議
過程連接 LKD801 (PP,PTFE天線) :G1-1/2 316L不銹鋼,:
LKD802(棒式天線) :翻邊法蘭DN50,DN80,DN100,DN150
LKD803(喇叭口形式天線):法蘭DN50,DN80,DN100,DN150,DN200,DN250
電源 電源:24V DC(+/-10%),波紋電壓:1Vpp
耗電量:max22.5mA
環境條件 溫度:-40℃…+80℃
容器壓力(表壓)-1…40bar
防爆認證 ExiaII C T6
外殼保護等級 IP68
兩線制接線 供電和信號輸出共用一根兩芯導線
電纜入口:2個M20×1.5(電纜直徑5…9mm)







