一體化溫度變送器
一、一體化溫度變送器概述一體化溫度變送器采用進口傳感器溫度敏感元件, 用計算機激光調阻進行溫度補償,采用一體化接線盒設計,具有專用接線端子以及數字顯示,安裝、校驗、維修方便。本系列產品適應于石油、···
訂購熱線:159-5508-5995

一、一體化溫度變送器概述
一體化溫度變送器采用進口傳感器溫度敏感元件, 用計算機激光調阻進行溫度補償,采用一體化接線盒設計,具有專用接線端子以及數字顯示,安裝、校驗、維修方便。本系列產品適應于石油、水利、化工、冶金、電力、輕工、科研、環保等各種企事業單位,實現對流體溫度的測量并適用于各種場合全天候環境及各種腐蝕性流體。
二、一體化溫度變送器主要特點
1、多種量程選擇;
2、數字、液晶溫度顯示;
3、量程調試方便;
4、反向極性保護及限流保護;
5、抗雷擊、抗沖擊;
6、本質安全防爆;體積小、外形美觀、性價比高;
7、高精度、高穩定性、高可靠性;
三、一體化溫度變送器技術性能

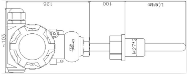
四、一體化溫度變送器產品尺寸

五、電氣接線
信號端子設置在電氣盒的獨立艙內。在接線時,可擰下接線側的表蓋。電源是通過信號線接到變送器的,不需要另外的接線。

信號線可采用雙絞線。在電磁干擾較嚴重的場合,建議使用屏蔽導線,并妥善接地。信號線不要與其它電源線一起穿金屬管或放在同一線槽中,也不要在強電設備附近通過。
六、注意事項
1、請接線方法正確接線。若接反,由于變送器內部采用了保護措施,將無信號輸出。變送器接通電源即可工作,但預熱30分鐘后的輸出信號較穩定可靠。
3、所測系統可出現的*大溫度不能超過額定過載值。
4、本產品屬精密的一次測量儀表,嚴禁隨意摔打,強力夾持,拆卸。
5、儀表盡可能安裝于通風、干燥、無蝕、蔭涼之處。如現場環境惡劣,應采取妥善措施保護儀表。
7、輸出異常,停機檢查,若屬產品質量問題隨保修卡和使用說明書一起返回本廠維修和退換。
8、非**人員請勿拆開儀表線路板或更改其它裝置。返回
一體化溫度變送器采用進口傳感器溫度敏感元件, 用計算機激光調阻進行溫度補償,采用一體化接線盒設計,具有專用接線端子以及數字顯示,安裝、校驗、維修方便。本系列產品適應于石油、水利、化工、冶金、電力、輕工、科研、環保等各種企事業單位,實現對流體溫度的測量并適用于各種場合全天候環境及各種腐蝕性流體。
二、一體化溫度變送器主要特點
1、多種量程選擇;
2、數字、液晶溫度顯示;
3、量程調試方便;
4、反向極性保護及限流保護;
5、抗雷擊、抗沖擊;
6、本質安全防爆;體積小、外形美觀、性價比高;
7、高精度、高穩定性、高可靠性;
三、一體化溫度變送器技術性能

四、一體化溫度變送器產品尺寸

五、電氣接線
信號端子設置在電氣盒的獨立艙內。在接線時,可擰下接線側的表蓋。電源是通過信號線接到變送器的,不需要另外的接線。

信號線可采用雙絞線。在電磁干擾較嚴重的場合,建議使用屏蔽導線,并妥善接地。信號線不要與其它電源線一起穿金屬管或放在同一線槽中,也不要在強電設備附近通過。
六、注意事項
1、請接線方法正確接線。若接反,由于變送器內部采用了保護措施,將無信號輸出。變送器接通電源即可工作,但預熱30分鐘后的輸出信號較穩定可靠。
3、所測系統可出現的*大溫度不能超過額定過載值。
4、本產品屬精密的一次測量儀表,嚴禁隨意摔打,強力夾持,拆卸。
5、儀表盡可能安裝于通風、干燥、無蝕、蔭涼之處。如現場環境惡劣,應采取妥善措施保護儀表。
7、輸出異常,停機檢查,若屬產品質量問題隨保修卡和使用說明書一起返回本廠維修和退換。
8、非**人員請勿拆開儀表線路板或更改其它裝置。返回
上一條:耐磨熱電偶
下一條:鎧裝熱電偶
跟此產品相關的產品 / Related Products
產品中心
Product Center
聯系我們




